首页
专利数据库
产业人才
行业动态
产业政策法规
维权援助
个人中心
登录/注册
详情
文本
图像
标题:
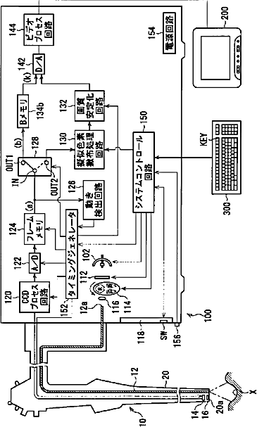
電子内視鏡装置
授权日:
1900-01-01
公开(公告)号:
JP2003088498A
申请日:
2001-09-19
公开(公告)日:
2003-03-25
当前申请(专利权)人:
ペンタックス株式会社
发明人:
小澤 了
简单同族:
JP2003088498A
简单同族成员数量:
1
简单同族被引用专利总数:
43
诉讼案件数:
0
法律状态/事件:
撤回 | 权利转移