首页
专利数据库
产业人才
行业动态
产业政策法规
维权援助
个人中心
登录/注册
详情
文本
图像
标题:
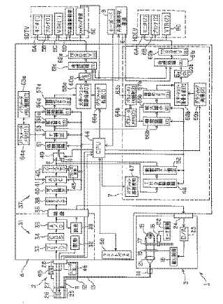
電子内視鏡装置
授权日:
1900-01-01
公开(公告)号:
JP2004000335A
申请日:
2002-05-31
公开(公告)日:
2004-01-08
当前申请(专利权)人:
オリンパス株式会社
发明人:
鈴木 達彦
简单同族:
CN1658787A | EP1512365A1 | EP1512365A4 | JP2004000335A | US20050020879A1 | WO2003101285A1
简单同族成员数量:
6
简单同族被引用专利总数:
79
诉讼案件数:
0
法律状态/事件:
驳回