首页
专利数据库
产业人才
行业动态
产业政策法规
维权援助
个人中心
登录/注册
详情
文本
图像
标题:
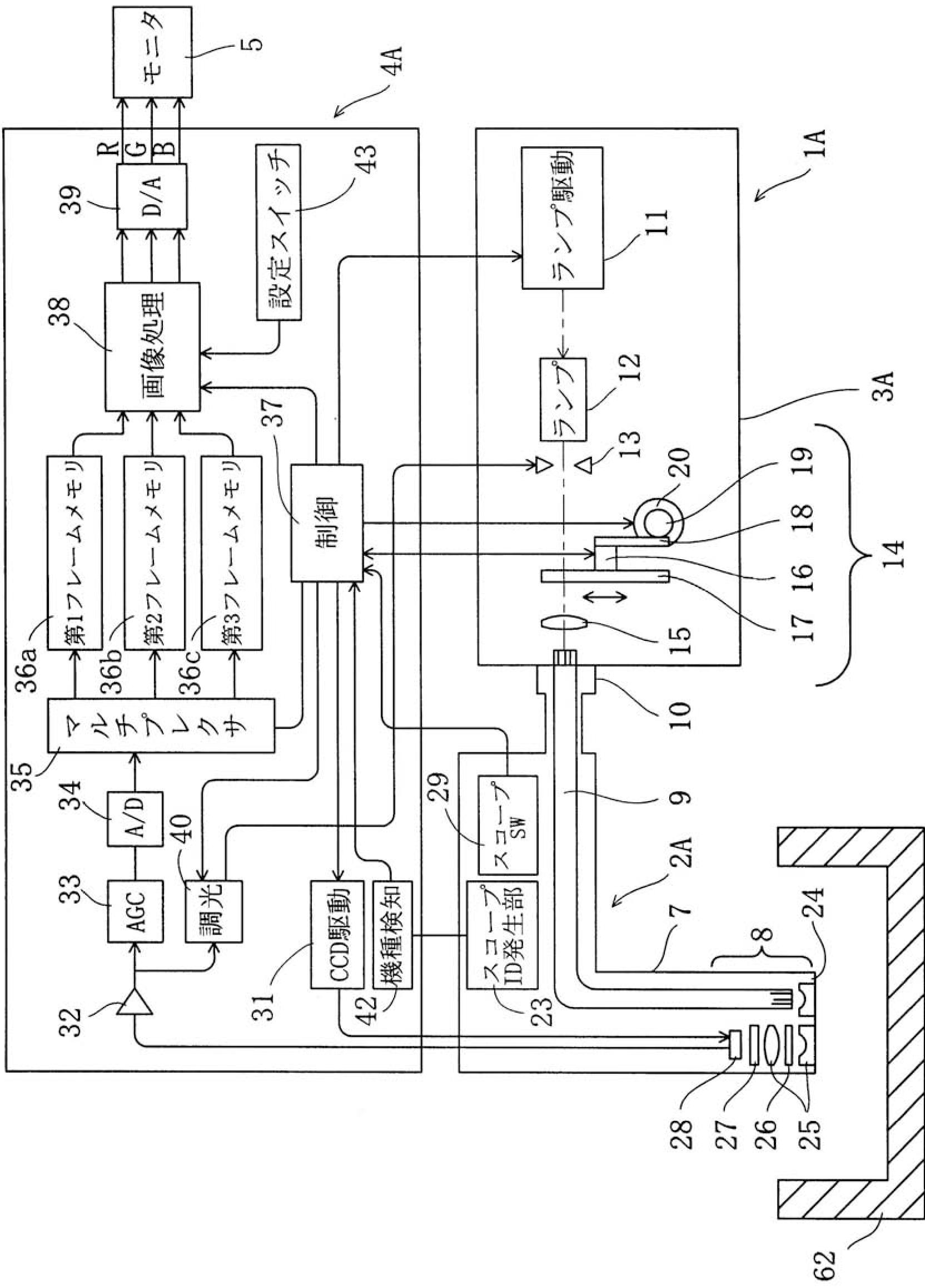
蛍光内視鏡装置
授权日:
2011-04-08
公开(公告)号:
JP4716673B2
申请日:
2004-05-21
公开(公告)日:
2011-07-06
当前申请(专利权)人:
オリンパス株式会社
发明人:
菅 武志
简单同族:
JP2005329115A | JP2005329115A5 | JP4716673B2 | US20050261592A1
简单同族成员数量:
4
简单同族被引用专利总数:
37
诉讼案件数:
0
法律状态/事件:
授权 | 权利转移