首页
专利数据库
产业人才
行业动态
产业政策法规
维权援助
个人中心
登录/注册
详情
文本
图像
标题:
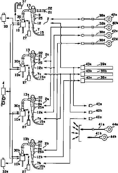
内視鏡装置
授权日:
1900-01-01
公开(公告)号:
JP2002017652A
申请日:
2000-06-30
公开(公告)日:
2002-01-22
当前申请(专利权)人:
オリンパス光学工業株式会社
发明人:
森山 宏樹
简单同族:
JP2002017652A | JP2002017652A5 | US20020013510A1 | US6679835
简单同族成员数量:
4
简单同族被引用专利总数:
48
诉讼案件数:
0
法律状态/事件:
驳回