首页
专利数据库
产业人才
行业动态
产业政策法规
维权援助
个人中心
登录/注册
详情
文本
图像
标题:
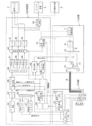
内視鏡装置及び信号処理装置
授权日:
1900-01-01
公开(公告)号:
JP2005006974A
申请日:
2003-06-19
公开(公告)日:
2005-01-13
当前申请(专利权)人:
オリンパス株式会社
发明人:
高橋 義典 | 道口 信行 | 小澤 剛志 | 今泉 克一 | 平尾 勇実 | 竹端 栄
简单同族:
CN1809308A | CN1809308B | EP1637062A1 | EP1637062A4 | JP2005006974A | JP4009560B2 | US20060155166A1 | WO2004112591A1
简单同族成员数量:
8
简单同族被引用专利总数:
78
诉讼案件数:
0
法律状态/事件:
授权 | 权利转移