首页
专利数据库
产业人才
行业动态
产业政策法规
维权援助
个人中心
登录/注册
详情
文本
图像
标题:
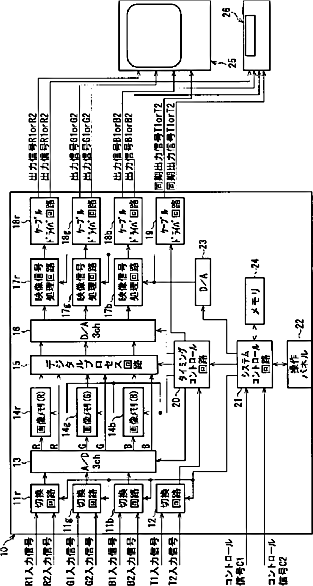
電子内視鏡システムおよび電子内視鏡用信号切替装置
授权日:
1900-01-01
公开(公告)号:
JP2001197485A
申请日:
2000-01-11
公开(公告)日:
2001-07-19
当前申请(专利权)人:
旭光学工業株式会社
发明人:
杉本 秀夫 | 榎本 貴之
简单同族:
DE10101064A1 | DE10101064B4 | JP2001197485A | JP2001197485A5 | US20030197781A1 | US6717609
简单同族成员数量:
6
简单同族被引用专利总数:
56
诉讼案件数:
0
法律状态/事件:
驳回