首页
专利数据库
产业人才
行业动态
产业政策法规
维权援助
个人中心
登录/注册
详情
文本
图像
标题:
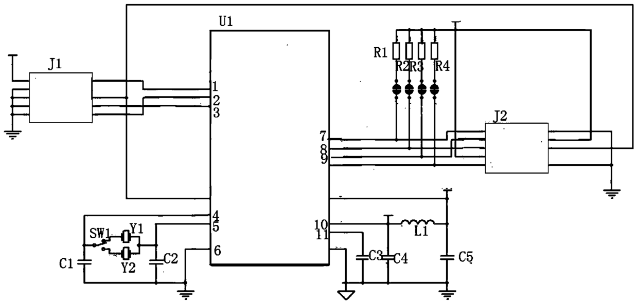
带手术模式选择的内窥镜摄像控制电路
授权日:
2016-08-03
公开(公告)号:
CN205411129U
申请日:
2015-12-11
公开(公告)日:
2016-08-03
当前申请(专利权)人:
上海世音光电仪器有限公司
发明人:
尤慧 | 刘艳
简单同族:
CN205411129U
简单同族成员数量:
1
简单同族被引用专利总数:
0
诉讼案件数:
0
法律状态/事件:
授权 | 质押