首页
专利数据库
产业人才
行业动态
产业政策法规
维权援助
个人中心
登录/注册
详情
文本
图像
标题:
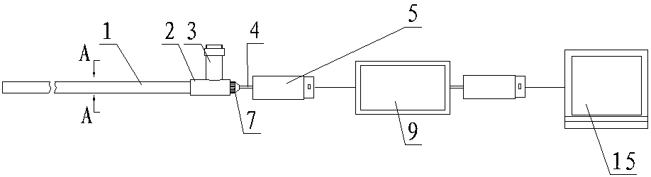
超细形软质电子内窥镜
授权日:
2016-12-28
公开(公告)号:
CN205831753U
申请日:
2015-12-30
公开(公告)日:
2016-12-28
当前申请(专利权)人:
嘉兴市大视野光学仪器有限公司
发明人:
潘文江
简单同族:
CN205831753U
简单同族成员数量:
1
简单同族被引用专利总数:
0
诉讼案件数:
0
法律状态/事件:
授权