首页
专利数据库
产业人才
行业动态
产业政策法规
维权援助
个人中心
登录/注册
详情
文本
图像
标题:
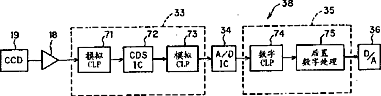
内窥镜用信号处理装置
授权日:
2009-01-14
公开(公告)号:
CN100450425C
申请日:
2005-02-02
公开(公告)日:
2009-01-14
当前申请(专利权)人:
奥林巴斯株式会社
发明人:
石原英明 | 塙隆行 | 道口信行 | 大河文行
简单同族:
CN100450425C | CN1917805A | EP1712177A1 | EP1712177A4 | EP1712177B1 | JP2005218570A | JP3813961B2 | US20070002134A1 | US7889228 | WO2005074788A1
简单同族成员数量:
10
简单同族被引用专利总数:
71
诉讼案件数:
0
法律状态/事件:
授权