首页
专利数据库
产业人才
行业动态
产业政策法规
维权援助
个人中心
登录/注册
详情
文本
图像
标题:
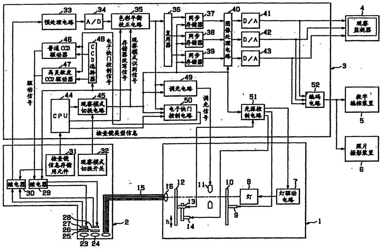
内窥镜装置
授权日:
2011-07-13
公开(公告)号:
CN1809308B
申请日:
2004-06-18
公开(公告)日:
2011-07-13
当前申请(专利权)人:
奥林巴斯株式会社
发明人:
高桥义典 | 平尾勇实 | 今泉克一 | 小泽刚志 | 竹端荣 | 道口信行
简单同族:
CN1809308A | CN1809308B | EP1637062A1 | EP1637062A4 | JP2005006974A | JP4009560B2 | US20060155166A1 | WO2004112591A1
简单同族成员数量:
8
简单同族被引用专利总数:
78
诉讼案件数:
0
法律状态/事件:
授权