首页
专利数据库
产业人才
行业动态
产业政策法规
维权援助
个人中心
登录/注册
详情
文本
图像
标题:
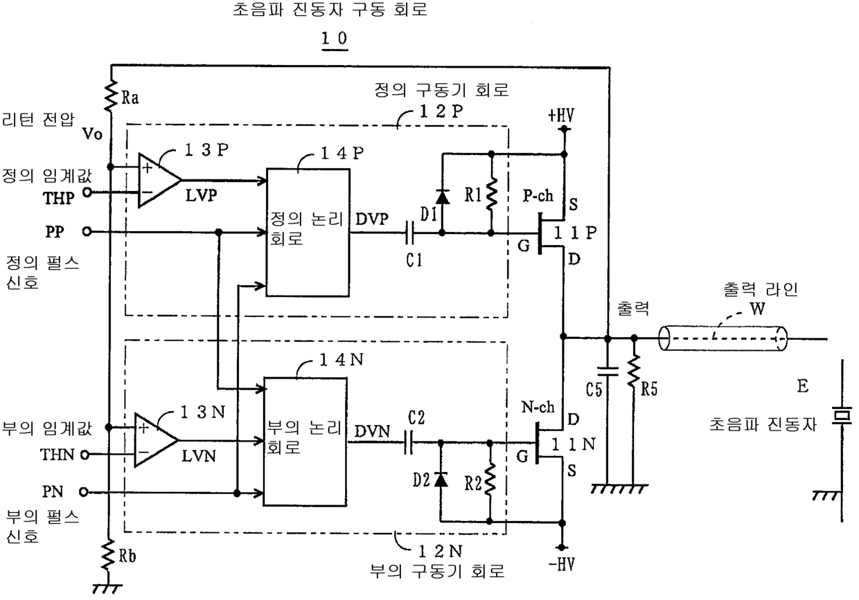
초음파 진동자 구동 회로 및 초음파 진단 장치
授权日:
1900-01-01
公开(公告)号:
KR1020080025009A
申请日:
2007-09-13
公开(公告)日:
2008-03-19
当前申请(专利权)人:
지이 메디컬 시스템즈 글로발 테크놀러지 캄파니 엘엘씨
发明人:
AMEMIYA, SHINICHI
简单同族:
CN101144798A | CN101144798B | DE102007043425A1 | JP2008067886A | JP4886443B2 | KR1020080025009A | US20080071171A1 | US7777394
简单同族成员数量:
8
简单同族被引用专利总数:
44
诉讼案件数:
0
法律状态/事件:
驳回