首页
专利数据库
产业人才
行业动态
产业政策法规
维权援助
个人中心
登录/注册
详情
文本
图像
标题:
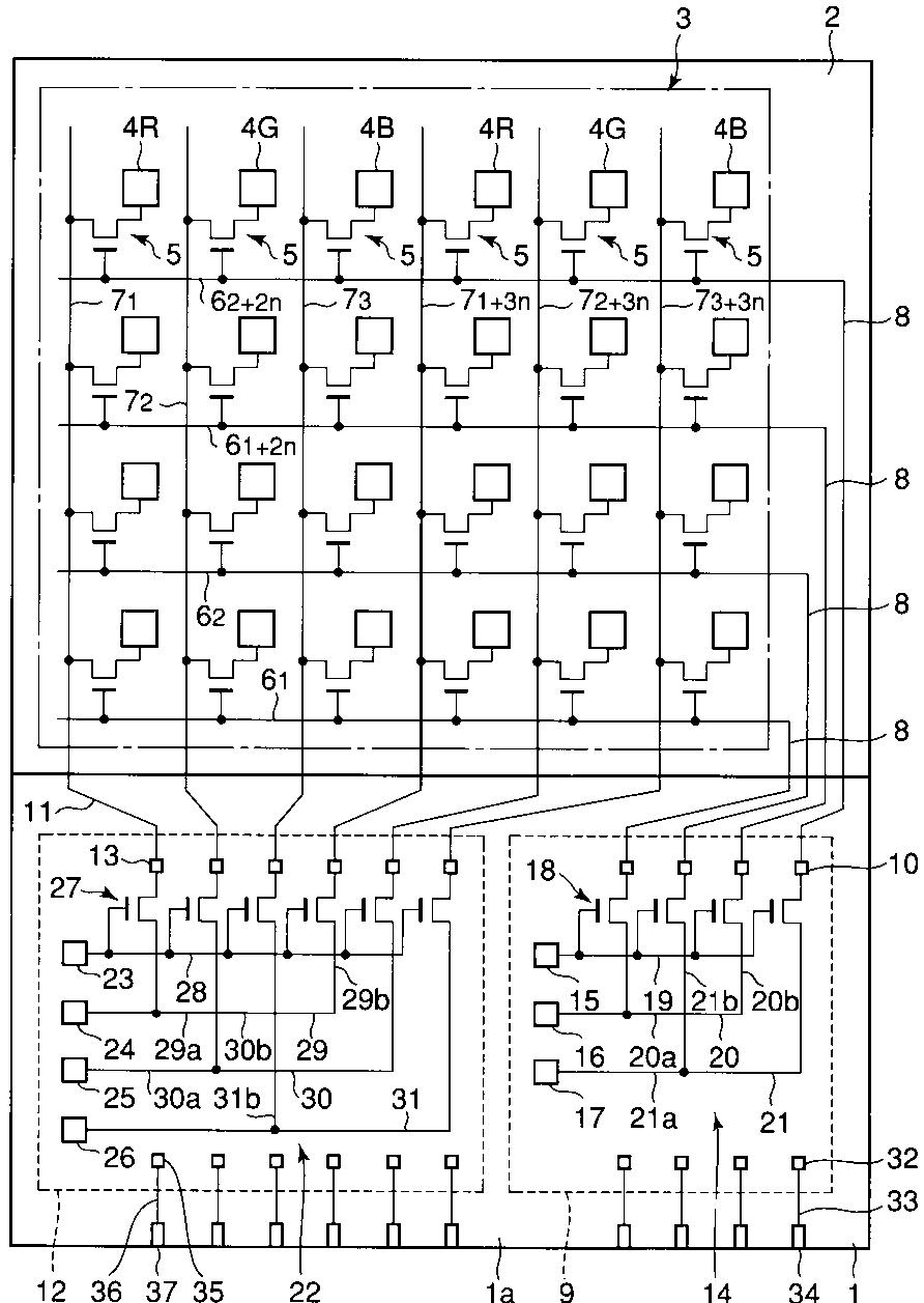
液晶表示装置
授权日:
2012-11-30
公开(公告)号:
JP5140999B2
申请日:
2006-11-22
公开(公告)日:
2013-02-13
当前申请(专利权)人:
カシオ計算機株式会社
发明人:
石井 裕満 | 中村 やよい
简单同族:
CN101221330A | CN101221330B | JP2008129374A | JP5140999B2 | KR100867307B1 | KR1020080046603A | TW200832028A | TWI385453B | US20080117345A1 | US8063865
简单同族成员数量:
10
简单同族被引用专利总数:
98
诉讼案件数:
0
法律状态/事件:
授权 | 权利转移