首页
专利数据库
产业人才
行业动态
产业政策法规
维权援助
个人中心
登录/注册
详情
文本
图像
标题:
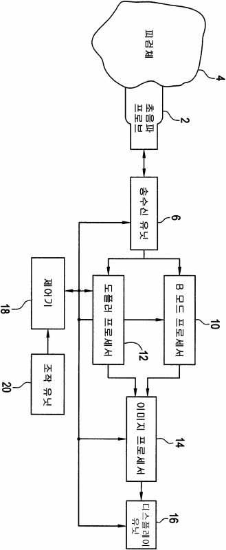
초음파 촬상 장치
授权日:
1900-01-01
公开(公告)号:
KR1020020096965A
申请日:
2002-06-18
公开(公告)日:
2002-12-31
当前申请(专利权)人:
지이 메디컬 시스템즈 글로발 테크놀러지 캄파니 엘엘씨
发明人:
스즈키요이치 | 아메미야신이치
简单同族:
CN1306909C | CN1391871A | DE10227174A1 | JP2003010182A | KR1020020096965A | US20030018264A1 | US6602196
简单同族成员数量:
7
简单同族被引用专利总数:
34
诉讼案件数:
0
法律状态/事件:
驳回