首页
专利数据库
产业人才
行业动态
产业政策法规
维权援助
个人中心
登录/注册
详情
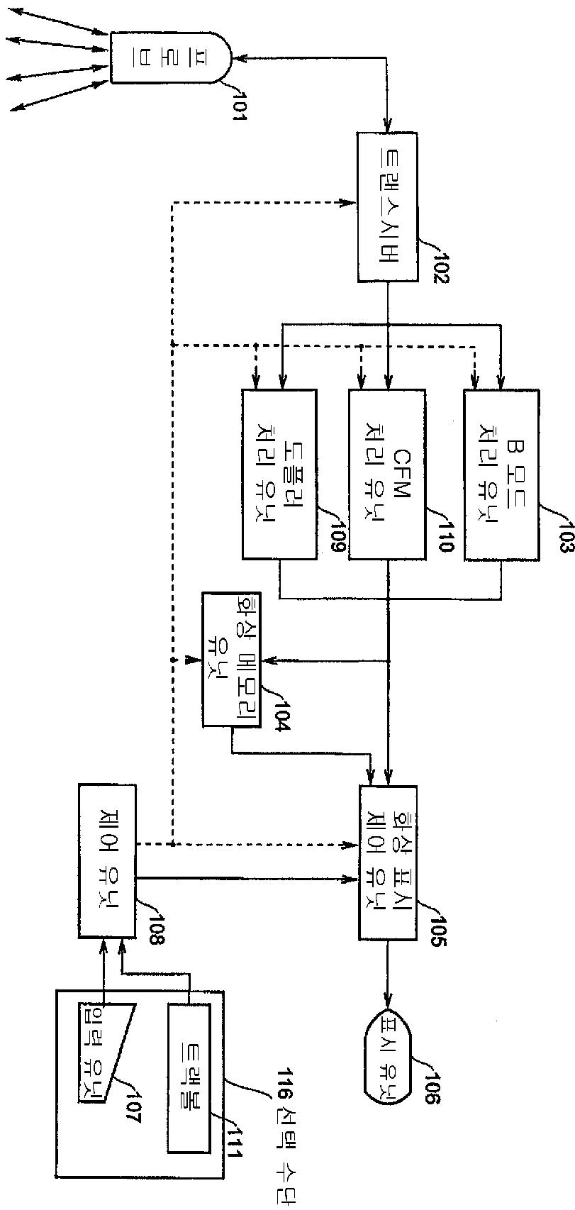
文本
图像
标题:
초음파 촬상 장치
授权日:
1900-01-01
公开(公告)号:
KR1020060065560A
申请日:
2005-12-09
公开(公告)日:
2006-06-14
当前申请(专利权)人:
지이 메디컬 시스템즈 글로발 테크놀러지 캄파니 엘엘씨
发明人:
마유미이토 | 아베야요이 | 후지와라치오리 | 야와타츠토무
简单同族:
CN1785124A | DE602005015813D1 | EP1669029A1 | EP1669029B1 | JP2006158799A | KR100742472B1 | KR1020060065560A | US20060184019A1
简单同族成员数量:
8
简单同族被引用专利总数:
28
诉讼案件数:
0
法律状态/事件:
未缴年费