首页
专利数据库
产业人才
行业动态
产业政策法规
维权援助
个人中心
登录/注册
详情
文本
图像
标题:
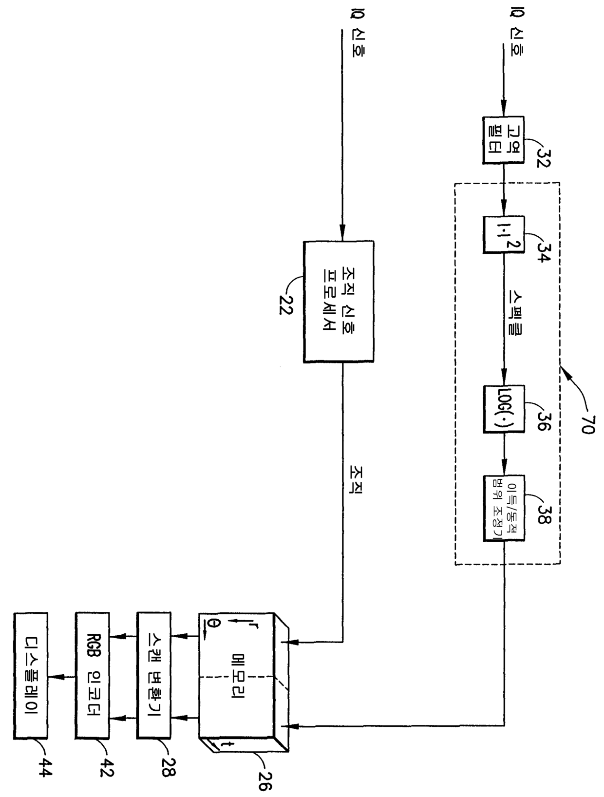
이미징 방법 및 장치와 그를 이용한 혈액 운동 이미징시스템
授权日:
1900-01-01
公开(公告)号:
KR1020010051917A
申请日:
2000-11-24
公开(公告)日:
2001-06-25
当前申请(专利权)人:
지이 메디컬 시스템즈 글로발 테크놀러지 캄파니 엘엘씨
发明人:
톨프한스가만 | 바재룸스테이너
简单同族:
DE10058449A1 | DE10058449B4 | JP2001178720A | JP4722283B2 | KR100742466B1 | KR1020010051917A | US6277075
简单同族成员数量:
7
简单同族被引用专利总数:
72
诉讼案件数:
0
法律状态/事件:
未缴年费