首页
专利数据库
产业人才
行业动态
产业政策法规
维权援助
个人中心
登录/注册
详情
文本
图像
标题:
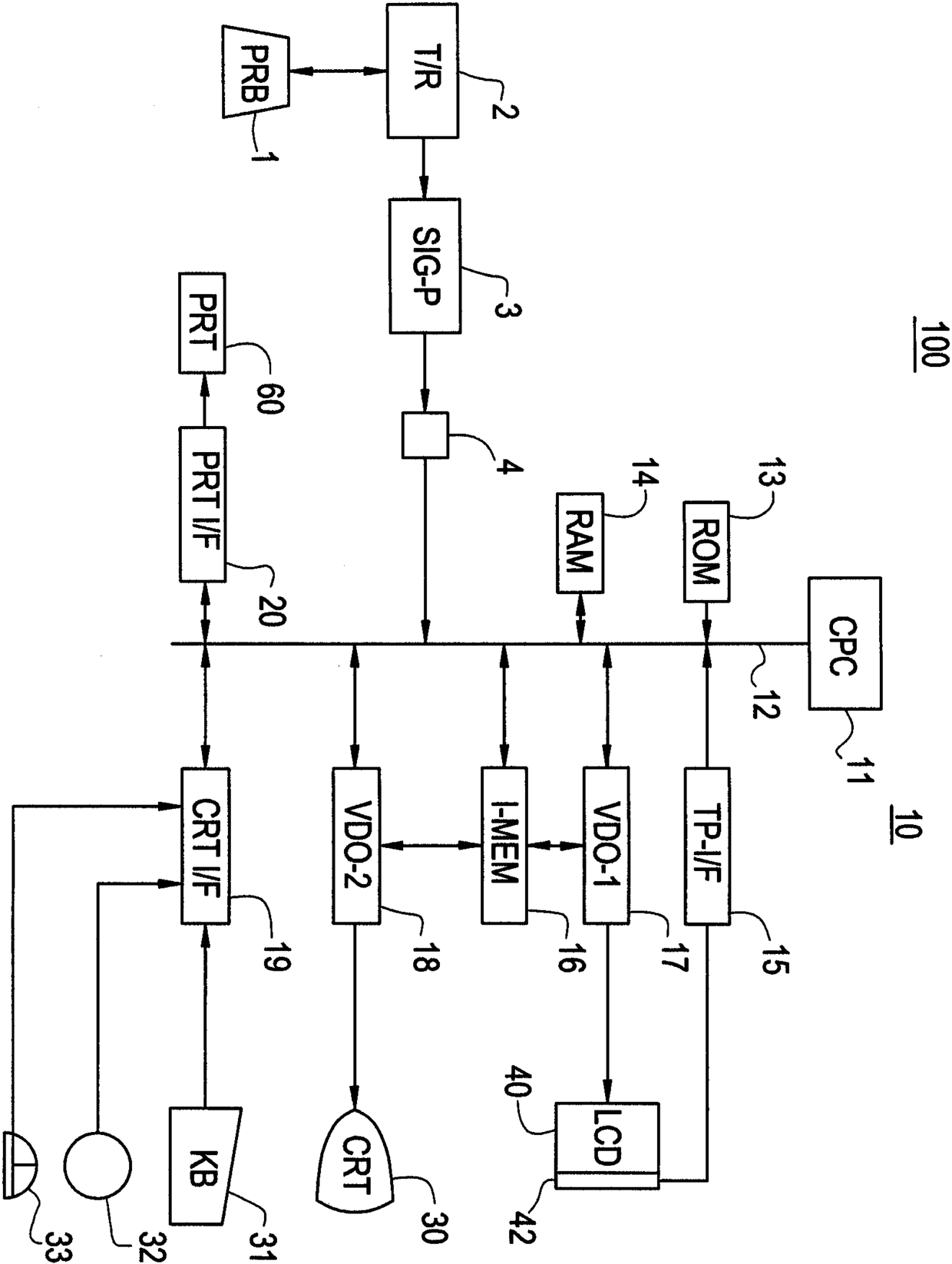
초음파 진단 장치
授权日:
1900-01-01
公开(公告)号:
KR1020030044847A
申请日:
2002-11-29
公开(公告)日:
2003-06-09
当前申请(专利权)人:
지이 메디컬 시스템즈 글로발 테크놀러지 캄파니 엘엘씨
发明人:
야와타츠토무 | 사토나오토
简单同族:
CN1223312C | CN1421180A | JP2003169798A | JP3752446B2 | KR100708505B1 | KR1020030044847A | US20030105400A1 | US6605040
简单同族成员数量:
8
简单同族被引用专利总数:
60
诉讼案件数:
0
法律状态/事件:
未缴年费 | 异议