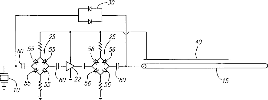
标题:
Preamplifier and protection circuit for an ultrasound catheter
授权日:
2003-01-28
公开(公告)号:
US6511432
申请日:
2001-04-27
公开(公告)日:
2003-01-28
当前申请(专利权)人:
SCIMED LIFE SYSTEMS, INC.
发明人:
MOORE, THOMAS C. | SUORSA, VEIJO | MASTERS, DONALD
简单同族:
CA2369283A1 | EP1171038A1 | JP2002540881A | JP2002540881A5 | JP4814428B2 | US20010016688A1 | US6251078 | US6511432 | WO2000061008A1 | WO2000061008A9
简单同族成员数量:
10
简单同族被引用专利总数:
55
诉讼案件数:
0
法律状态/事件:
未缴年费