首页
专利数据库
产业人才
行业动态
产业政策法规
维权援助
个人中心
登录/注册
详情
文本
图像
标题:
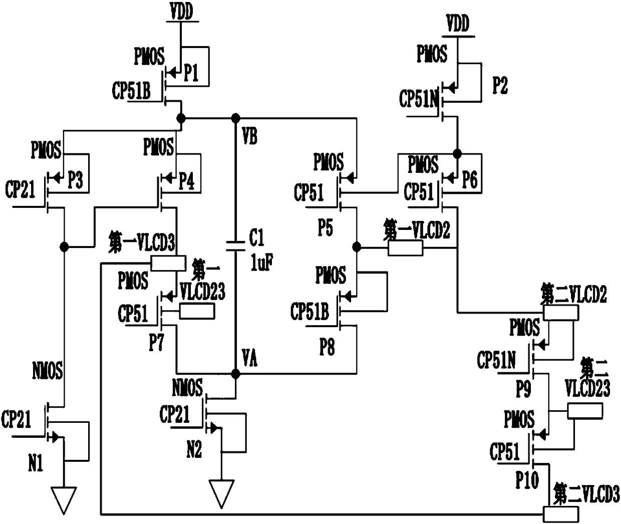
一种集成于MCU中的低功耗高驱动LCD偏压驱动电路
授权日:
1900-01-01
公开(公告)号:
CN108242221A
申请日:
2016-12-27
公开(公告)日:
2018-07-03
当前申请(专利权)人:
无锡中微爱芯电子有限公司
发明人:
饶喜冰 | 陈恒江 | 任罗伟 | 华彬
简单同族:
CN108242221A
简单同族成员数量:
1
简单同族被引用专利总数:
0
诉讼案件数:
0
法律状态/事件:
实质审查