首页
专利数据库
产业人才
行业动态
产业政策法规
维权援助
个人中心
登录/注册
详情
文本
图像
标题:
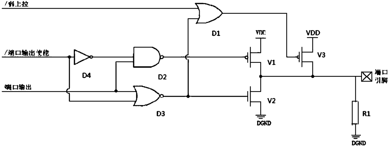
一种动态笔段式LCD显示屏
授权日:
2016-09-14
公开(公告)号:
CN205582448U
申请日:
2016-04-29
公开(公告)日:
2016-09-14
当前申请(专利权)人:
扬州华科智能科技有限公司
发明人:
武圣山 | 张凯 | 康往东 | 卞正勋 | 朱江林 | 薛德华 | 童国军 | 钱进
简单同族:
CN205582448U
简单同族成员数量:
1
简单同族被引用专利总数:
0
诉讼案件数:
0
法律状态/事件:
授权