首页
专利数据库
产业人才
行业动态
产业政策法规
维权援助
个人中心
登录/注册
详情
文本
图像
标题:
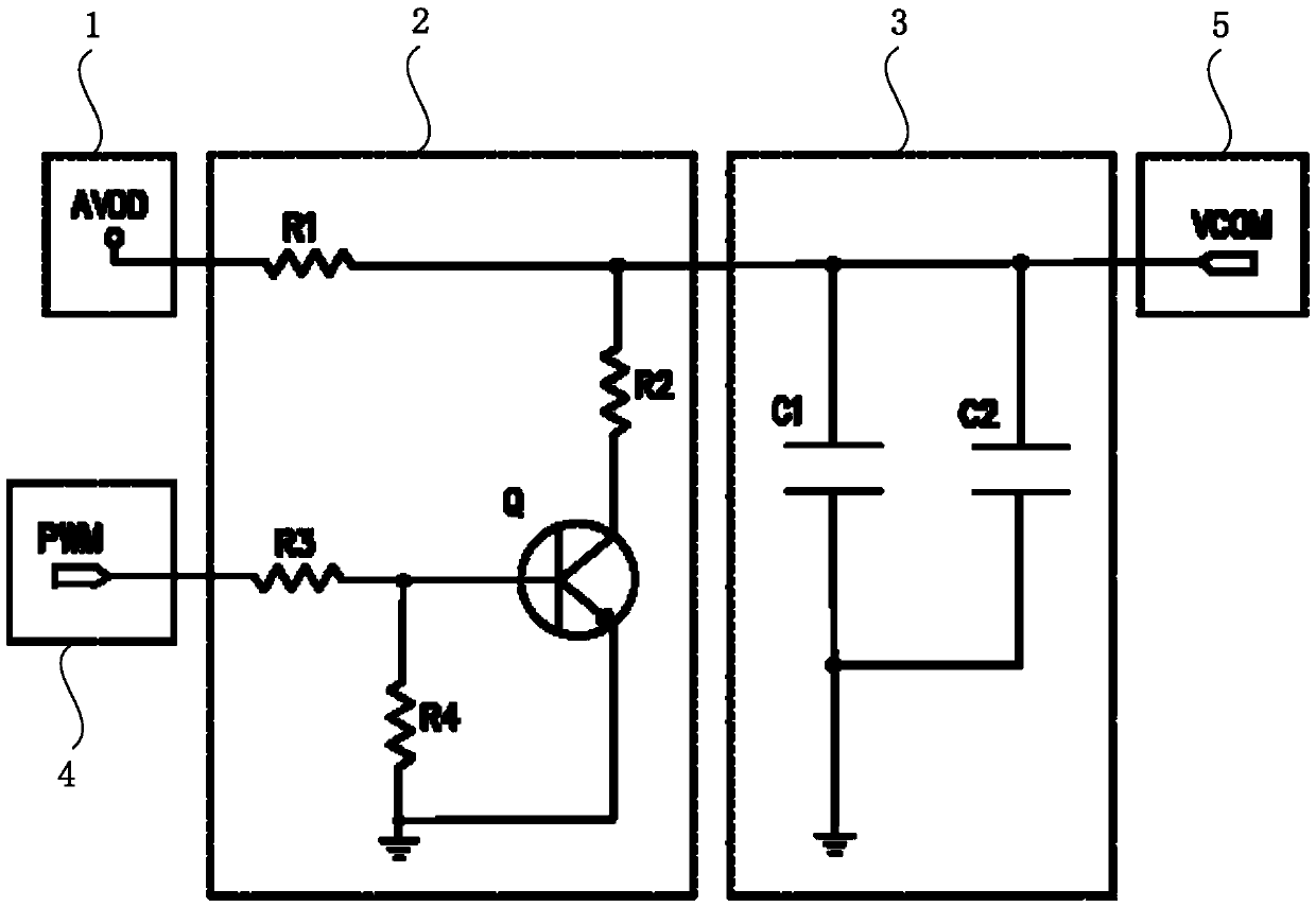
一种LCD显示屏的VCOM电压调节电路
授权日:
2020-04-28
公开(公告)号:
CN210429272U
申请日:
2019-11-22
公开(公告)日:
2020-04-28
当前申请(专利权)人:
深圳市紫旗科技有限公司
发明人:
刘中午
简单同族:
CN210429272U
简单同族成员数量:
1
简单同族被引用专利总数:
0
诉讼案件数:
0
法律状态/事件:
授权