首页
专利数据库
产业人才
行业动态
产业政策法规
维权援助
个人中心
登录/注册
详情
文本
图像
标题:
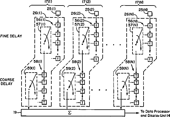
Portable ultrasound imaging system
授权日:
2009-03-10
公开(公告)号:
US7500952
申请日:
2000-07-19
公开(公告)日:
2009-03-10
当前申请(专利权)人:
TERATECH CORPORATION
发明人:
CHIANG, ALICE M. | BROADSTONE, STEVEN R.
简单同族:
US20080294046A1 | US20140128740A1 | US7500952 | US8628474
简单同族成员数量:
4
简单同族被引用专利总数:
49
诉讼案件数:
0
法律状态/事件:
未缴年费 | 权利转移