首页
专利数据库
产业人才
行业动态
产业政策法规
维权援助
个人中心
登录/注册
详情
文本
图像
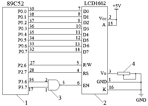
标题:
一种LCD1602液晶显示器并行扩展电路
授权日:
2018-01-05
公开(公告)号:
CN206849475U
申请日:
2017-04-01
公开(公告)日:
2018-01-05
当前申请(专利权)人:
湖南科技学院
发明人:
刘志壮 | 黄堂森
简单同族:
CN206849475U
简单同族成员数量:
1
简单同族被引用专利总数:
0
诉讼案件数:
0
法律状态/事件:
未缴年费