首页
专利数据库
产业人才
行业动态
产业政策法规
维权援助
个人中心
登录/注册
详情
文本
图像
标题:
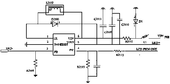
显示屏背光板防爆驱动电路
授权日:
2017-08-08
公开(公告)号:
CN206388484U
申请日:
2017-01-11
公开(公告)日:
2017-08-08
当前申请(专利权)人:
江苏信源达科技有限公司
发明人:
卓郑立
简单同族:
CN206388484U
简单同族成员数量:
1
简单同族被引用专利总数:
0
诉讼案件数:
0
法律状态/事件:
授权 | 质押