首页
专利数据库
产业人才
行业动态
产业政策法规
维权援助
个人中心
登录/注册
详情
文本
图像
标题:
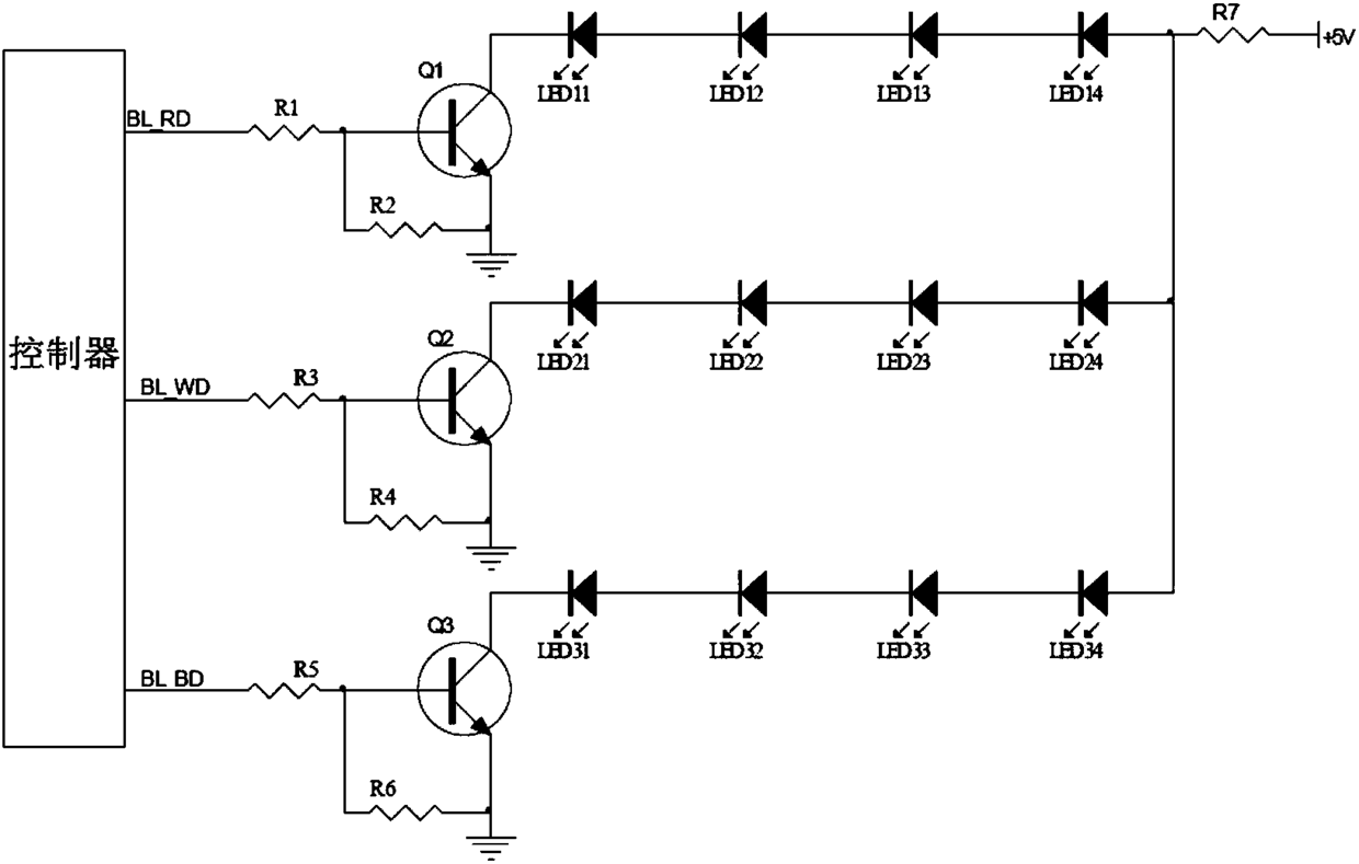
具有液晶显示功能的生物安全柜
授权日:
2017-09-19
公开(公告)号:
CN206505689U
申请日:
2017-01-11
公开(公告)日:
2017-09-19
当前申请(专利权)人:
上海力申科学仪器有限公司
发明人:
陈兴荣 | 冯金栋
简单同族:
CN206505689U
简单同族成员数量:
1
简单同族被引用专利总数:
0
诉讼案件数:
0
法律状态/事件:
授权