首页
专利数据库
产业人才
行业动态
产业政策法规
维权援助
个人中心
登录/注册
详情
文本
图像
标题:
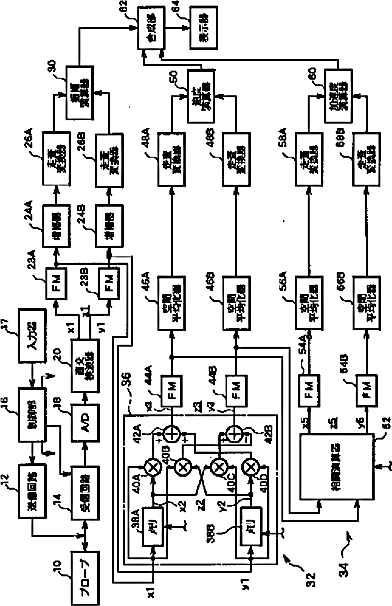
超音波診断装置
授权日:
1900-01-01
公开(公告)号:
JP2003116855A
申请日:
2001-10-19
公开(公告)日:
2003-04-22
当前申请(专利权)人:
アロカ株式会社 | 八木 晋一
发明人:
八木 晋一 | 近藤 祐司
简单同族:
JP2003116855A | JP4030288B2
简单同族成员数量:
2
简单同族被引用专利总数:
29
诉讼案件数:
0
法律状态/事件:
授权 | 权利转移