首页
专利数据库
产业人才
行业动态
产业政策法规
维权援助
个人中心
登录/注册
详情
文本
图像
标题:
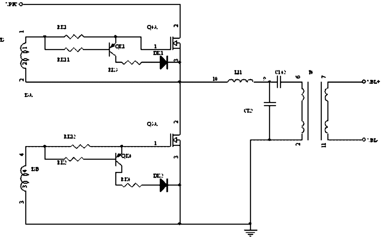
一种LCC正弦波液晶显示屏驱动电路
授权日:
2012-09-05
公开(公告)号:
CN202422693U
申请日:
2012-01-13
公开(公告)日:
2012-09-05
当前申请(专利权)人:
深圳麦格米特电气股份有限公司
发明人:
刘敏
简单同族:
CN202422693U
简单同族成员数量:
1
简单同族被引用专利总数:
0
诉讼案件数:
0
法律状态/事件:
授权