首页
专利数据库
产业人才
行业动态
产业政策法规
维权援助
个人中心
登录/注册
详情
文本
图像
标题:
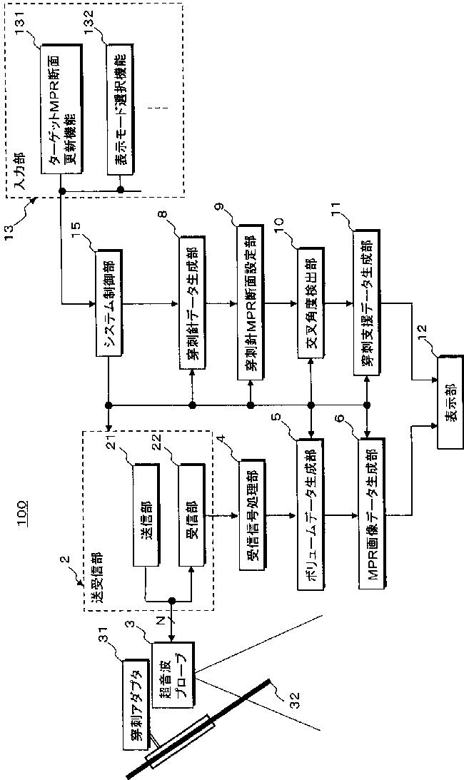
超音波診断装置及び穿刺支援用制御プログラム
授权日:
1900-01-01
公开(公告)号:
JP2014057883A
申请日:
2013-11-29
公开(公告)日:
2014-04-03
当前申请(专利权)人:
株式会社東芝 | 東芝メディカルシステムズ株式会社
发明人:
市岡 健一 | 鷲見 篤司 | 掛江 明弘
简单同族:
JP2014057883A
简单同族成员数量:
1
简单同族被引用专利总数:
0
诉讼案件数:
0
法律状态/事件:
驳回