首页
专利数据库
产业人才
行业动态
产业政策法规
维权援助
个人中心
登录/注册
详情
文本
图像
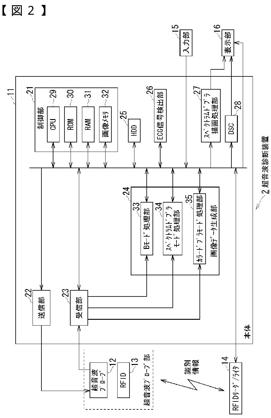
标题:
超音波診断装置
授权日:
2012-10-05
公开(公告)号:
JP5100188B2
申请日:
2007-04-04
公开(公告)日:
2012-12-19
当前申请(专利权)人:
株式会社東芝 | 東芝メディカルシステムズ株式会社
发明人:
坂上 弘祐 | 青木 稔
简单同族:
JP2008253500A | JP5100188B2
简单同族成员数量:
2
简单同族被引用专利总数:
27
诉讼案件数:
0
法律状态/事件:
授权 | 权利转移