首页
专利数据库
产业人才
行业动态
产业政策法规
维权援助
个人中心
登录/注册
详情
文本
图像
标题:
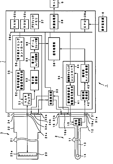
超音波観測装置及び超音波診断装置
授权日:
1900-01-01
公开(公告)号:
JP2007330472A
申请日:
2006-06-14
公开(公告)日:
2007-12-27
当前申请(专利权)人:
オリンパスメディカルシステムズ株式会社
发明人:
御園 和裕
简单同族:
DE602007011850D1 | EP1867286A2 | EP1867286A3 | EP1867286B1 | JP2007330472A | JP5281737B2 | US20080097208A1 | US8366623
简单同族成员数量:
8
简单同族被引用专利总数:
36
诉讼案件数:
0
法律状态/事件:
未缴年费 | 权利转移