首页
专利数据库
产业人才
行业动态
产业政策法规
维权援助
个人中心
登录/注册
详情
文本
图像
标题:
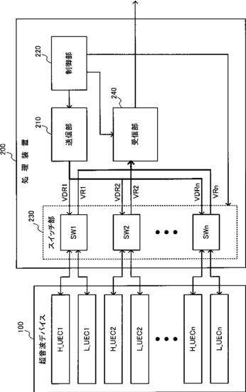
超音波デバイス、超音波プローブ及び超音波診断装置
授权日:
1900-01-01
公开(公告)号:
JP2016172112A
申请日:
2016-07-05
公开(公告)日:
2016-09-29
当前申请(专利权)人:
セイコーエプソン株式会社
发明人:
大西 康憲 | 鶴野 次郎
简单同族:
JP2016172112A
简单同族成员数量:
1
简单同族被引用专利总数:
0
诉讼案件数:
0
法律状态/事件:
撤回