首页
专利数据库
产业人才
行业动态
产业政策法规
维权援助
个人中心
登录/注册
详情
文本
图像
标题:
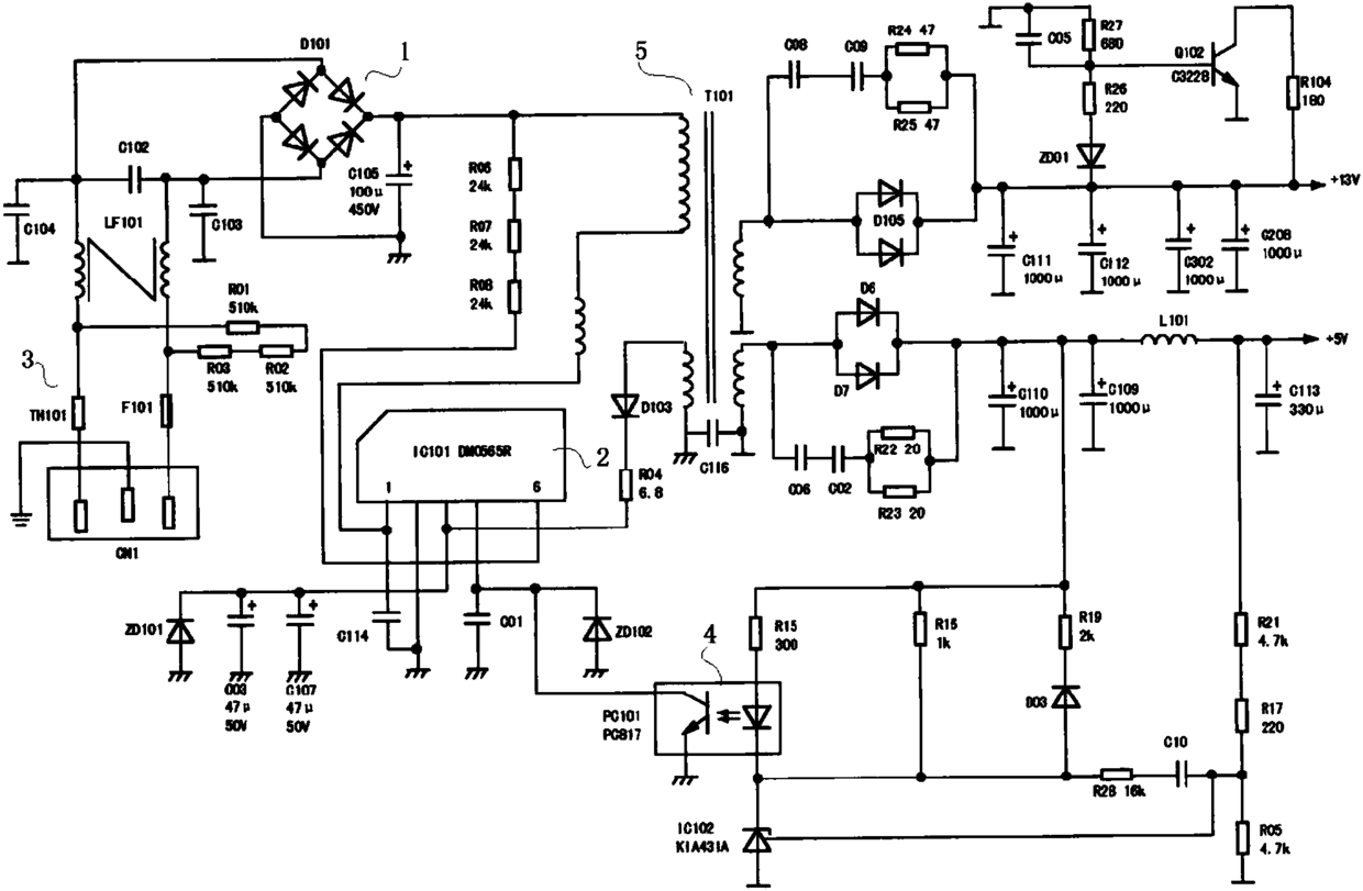
一种新型液晶显示器模组
授权日:
2016-10-19
公开(公告)号:
CN205656838U
申请日:
2016-05-03
公开(公告)日:
2016-10-19
当前申请(专利权)人:
深圳市海菲创新科技有限公司
发明人:
陈杰 | 郭志强
简单同族:
CN205656838U
简单同族成员数量:
1
简单同族被引用专利总数:
0
诉讼案件数:
0
法律状态/事件:
授权