首页
专利数据库
产业人才
行业动态
产业政策法规
维权援助
个人中心
登录/注册
详情
文本
图像
标题:
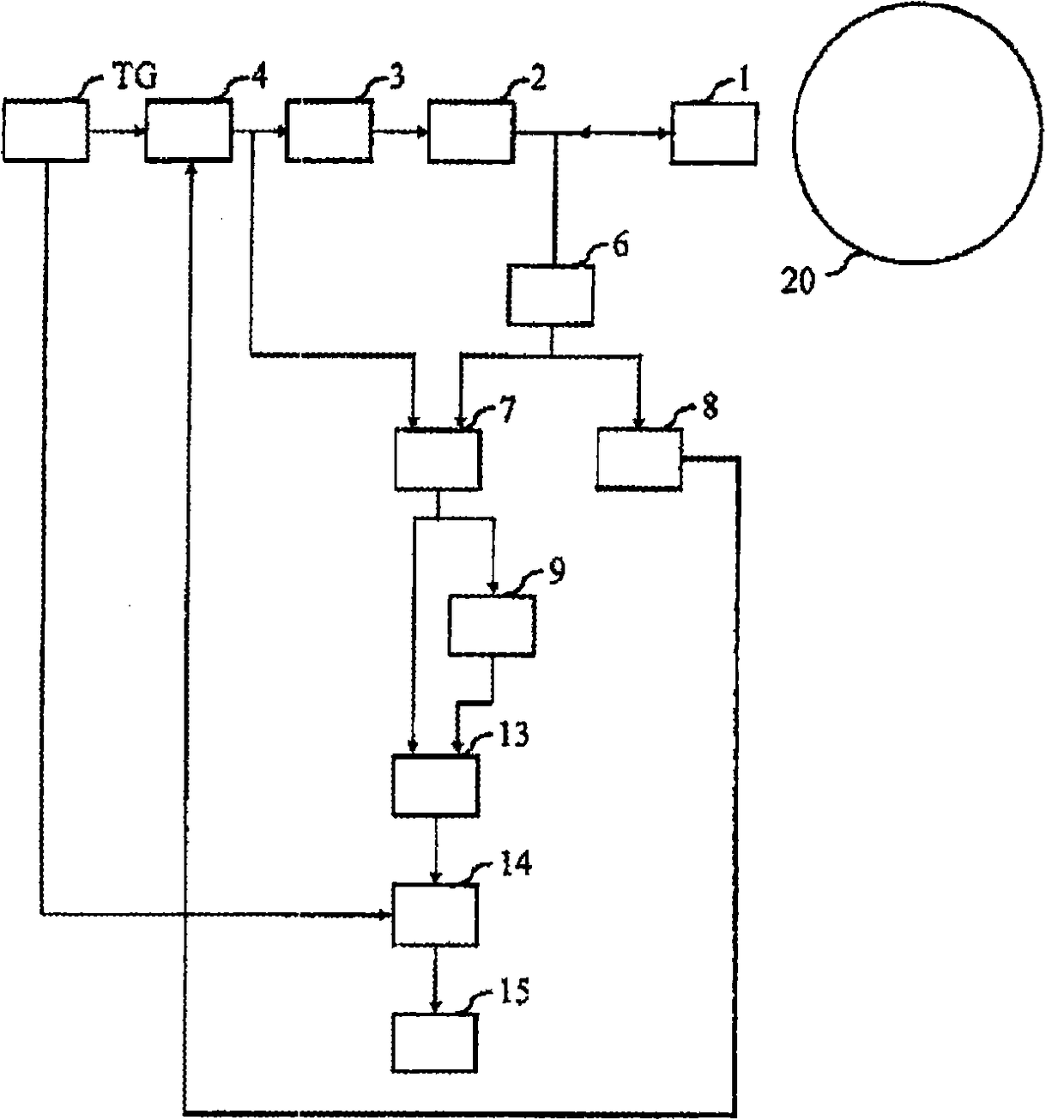
超声波诊断装置
授权日:
2011-08-03
公开(公告)号:
CN101662988B
申请日:
2008-04-22
公开(公告)日:
2011-08-03
当前申请(专利权)人:
柯尼卡美能达株式会社
发明人:
福喜多博 | 福元刚智
简单同族:
CN101662988A | CN101662988B | EP2133026A1 | EP2133026A4 | EP2133026B1 | JP5404390B2 | JPWO2008132835A1 | US20100121193A1 | WO2008132835A1
简单同族成员数量:
9
简单同族被引用专利总数:
32
诉讼案件数:
0
法律状态/事件:
授权 | 权利转移