首页
专利数据库
产业人才
行业动态
产业政策法规
维权援助
个人中心
登录/注册
详情
文本
图像
标题:
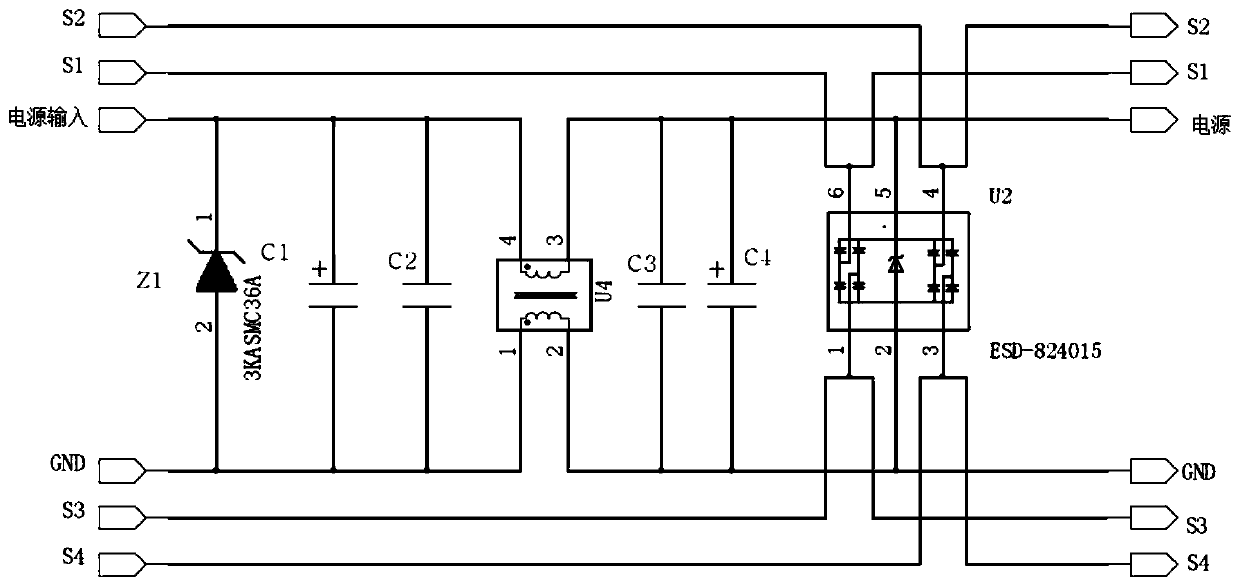
一种抵抗电性干扰的液晶显示模组
授权日:
1900-01-01
公开(公告)号:
CN111413818A
申请日:
2020-03-31
公开(公告)日:
2020-07-14
当前申请(专利权)人:
精电(河源)显示技术有限公司
发明人:
韩永刚 | 龚兆业
简单同族:
CN111413818A
简单同族成员数量:
1
简单同族被引用专利总数:
0
诉讼案件数:
0
法律状态/事件:
公开