首页
专利数据库
产业人才
行业动态
产业政策法规
维权援助
个人中心
登录/注册
详情
文本
图像
标题:
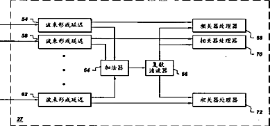
用于超声成像中的时间延迟估计方法和系统
授权日:
1900-01-01
公开(公告)号:
CN1714752A
申请日:
2005-06-30
公开(公告)日:
2006-01-04
当前申请(专利权)人:
通用电气公司
发明人:
K・W・里格比 | S・C・米勒
简单同族:
CN100502789C | CN1714752A | DE102005029564A1 | JP2006015138A | JP4727319B2 | KR101140482B1 | KR1020060048663A | US20060004287A1 | US7740583
简单同族成员数量:
9
简单同族被引用专利总数:
41
诉讼案件数:
0
法律状态/事件:
未缴年费