首页
专利数据库
产业人才
行业动态
产业政策法规
维权援助
个人中心
登录/注册
详情
文本
图像
标题:
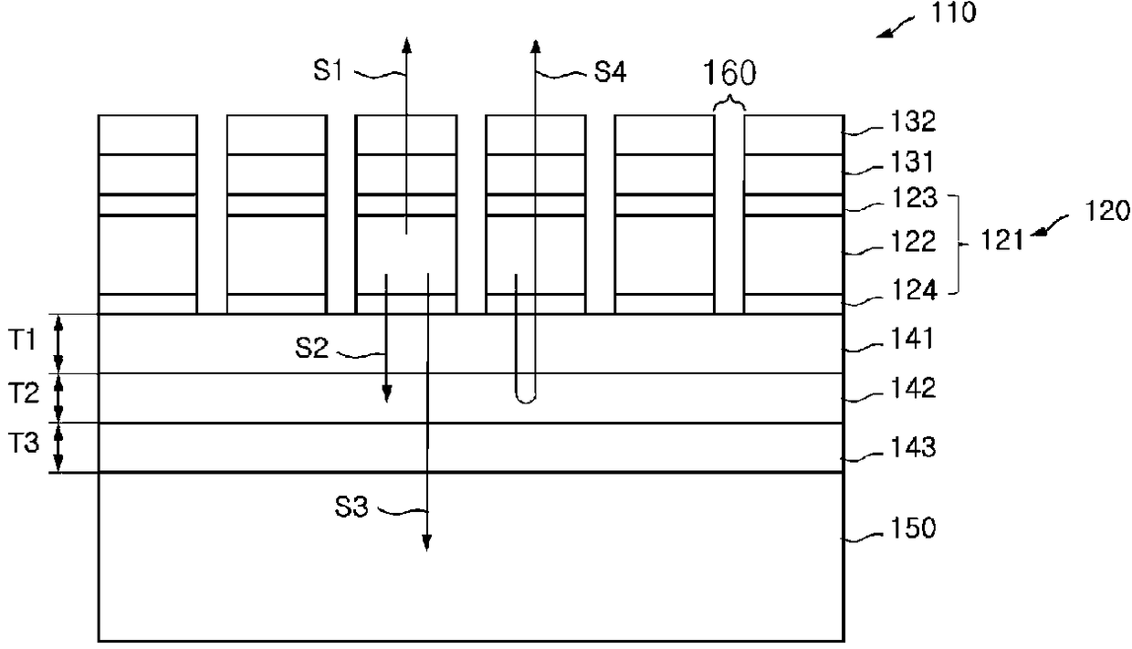
超声换能器、超声探头和超声波图像诊断设备
授权日:
1900-01-01
公开(公告)号:
CN103181786A
申请日:
2013-01-04
公开(公告)日:
2013-07-03
当前申请(专利权)人:
三星电子株式会社
发明人:
高铉泌 | 金东铉
简单同族:
CN103181786A | CN103181786B | EP2610861A2 | EP2610861A3 | KR101477544B1 | KR1020130078972A | US20130169818A1 | US9219220
简单同族成员数量:
8
简单同族被引用专利总数:
21
诉讼案件数:
0
法律状态/事件:
授权