首页
专利数据库
产业人才
行业动态
产业政策法规
维权援助
个人中心
登录/注册
详情
文本
图像
标题:
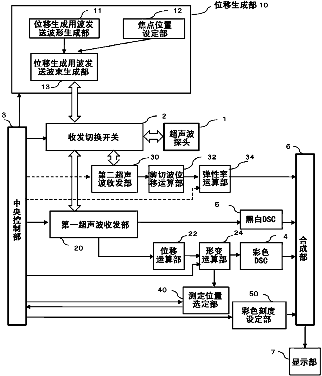
超声波诊断装置及方法
授权日:
2015-07-08
公开(公告)号:
CN103347450B
申请日:
2011-12-28
公开(公告)日:
2015-07-08
当前申请(专利权)人:
株式会社日立制作所
发明人:
田原麻梨江 | 东隆 | 吉川秀树 | 桥场邦夫
简单同族:
CN103347450A | CN103347450B | EP2671511A1 | EP2671511A4 | EP2671511B1 | JP5619191B2 | JPWO2012105152A1 | US20130317361A1 | WO2012105152A1
简单同族成员数量:
9
简单同族被引用专利总数:
45
诉讼案件数:
0
法律状态/事件:
未缴年费 | 权利转移