首页
专利数据库
产业人才
行业动态
产业政策法规
维权援助
个人中心
登录/注册
详情
文本
图像
标题:
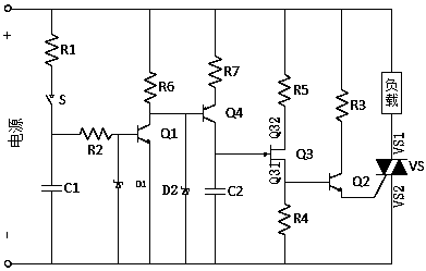
一种用于液晶显示屏背光板亮度渐变驱动电路
授权日:
2020-01-14
公开(公告)号:
CN209947400U
申请日:
2019-02-28
公开(公告)日:
2020-01-14
当前申请(专利权)人:
成都聚屹科技有限责任公司
发明人:
田丹
简单同族:
CN209947400U
简单同族成员数量:
1
简单同族被引用专利总数:
0
诉讼案件数:
0
法律状态/事件:
授权