首页
专利数据库
产业人才
行业动态
产业政策法规
维权援助
个人中心
登录/注册
详情
文本
图像
标题:
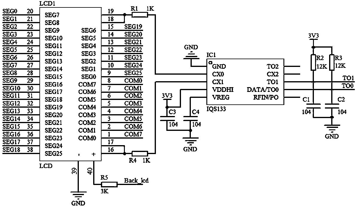
段码式液晶屏及装有该段码式液晶屏的电能表
授权日:
2014-07-30
公开(公告)号:
CN203746369U
申请日:
2013-12-13
公开(公告)日:
2014-07-30
当前申请(专利权)人:
浙江永泰隆电子股份有限公司
发明人:
谈益强
简单同族:
CN203746369U
简单同族成员数量:
1
简单同族被引用专利总数:
0
诉讼案件数:
0
法律状态/事件:
授权