首页
专利数据库
产业人才
行业动态
产业政策法规
维权援助
个人中心
登录/注册
详情
文本
图像
标题:
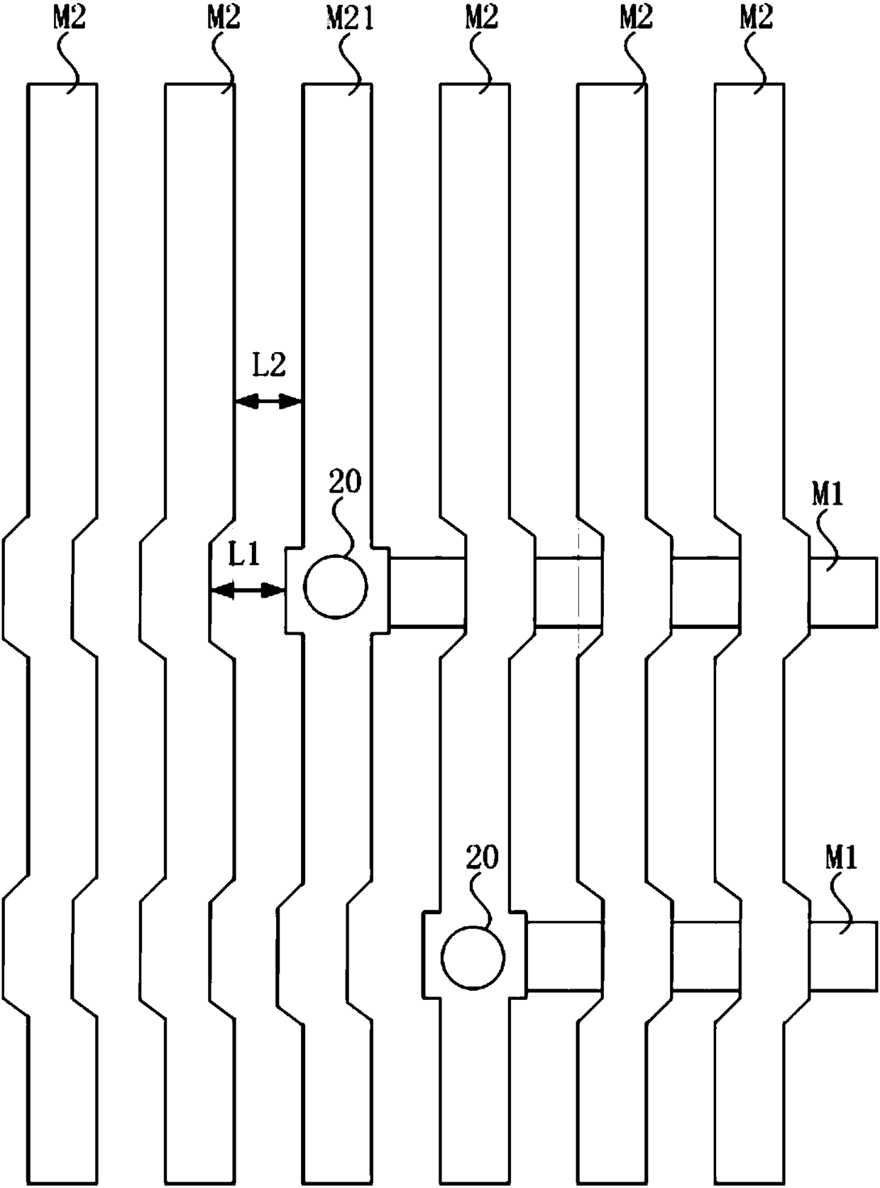
液晶显示面板
授权日:
1900-01-01
公开(公告)号:
CN105974703A
申请日:
2016-07-13
公开(公告)日:
2016-09-28
当前申请(专利权)人:
武汉华星光电技术有限公司
发明人:
赵莽 | 张启沛
简单同族:
CN105974703A
简单同族成员数量:
1
简单同族被引用专利总数:
0
诉讼案件数:
0
法律状态/事件:
驳回