首页
专利数据库
产业人才
行业动态
产业政策法规
维权援助
个人中心
登录/注册
详情
文本
图像
标题:
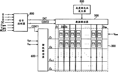
液晶显示器
授权日:
1900-01-01
公开(公告)号:
CN1811535A
申请日:
2006-01-26
公开(公告)日:
2006-08-02
当前申请(专利权)人:
三星显示有限公司
发明人:
刘永勋 | 李喜锡 | 孙宇成
简单同族:
CN100587555C | CN1811535A | JP2006209135A | JP2012118565A | JP4969109B2 | JP5739362B2 | KR101133761B1 | KR1020060086175A | TW200632492A | TWI415082B | US20060164352A1 | US20150241740A1 | US8941789 | US9618803
简单同族成员数量:
14
简单同族被引用专利总数:
191
诉讼案件数:
0
法律状态/事件:
授权 | 权利转移