首页
专利数据库
产业人才
行业动态
产业政策法规
维权援助
个人中心
登录/注册
详情
文本
图像
标题:
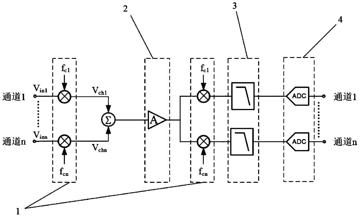
一种基于正交斩波调制的多通道人体生理信号采集前端
授权日:
1900-01-01
公开(公告)号:
CN110897612A
申请日:
2019-12-15
公开(公告)日:
2020-03-24
当前申请(专利权)人:
复旦大学
发明人:
吕良剑 | 赵晓斌 | 穆庚 | 叶大蔚 | 史传进
简单同族:
CN110897612A
简单同族成员数量:
1
简单同族被引用专利总数:
0
诉讼案件数:
0
法律状态/事件:
实质审查