首页
专利数据库
产业人才
行业动态
产业政策法规
维权援助
个人中心
登录/注册
详情
文本
图像
标题:
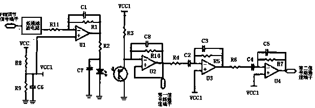
一种穿戴式脉搏信号采集电路
授权日:
1900-01-01
公开(公告)号:
CN107212865A
申请日:
2017-07-06
公开(公告)日:
2017-09-29
当前申请(专利权)人:
苏州锟恩电子科技有限公司
发明人:
杨俊民
简单同族:
CN107212865A
简单同族成员数量:
1
简单同族被引用专利总数:
0
诉讼案件数:
0
法律状态/事件:
实质审查