首页
专利数据库
产业人才
行业动态
产业政策法规
维权援助
个人中心
登录/注册
详情
文本
图像
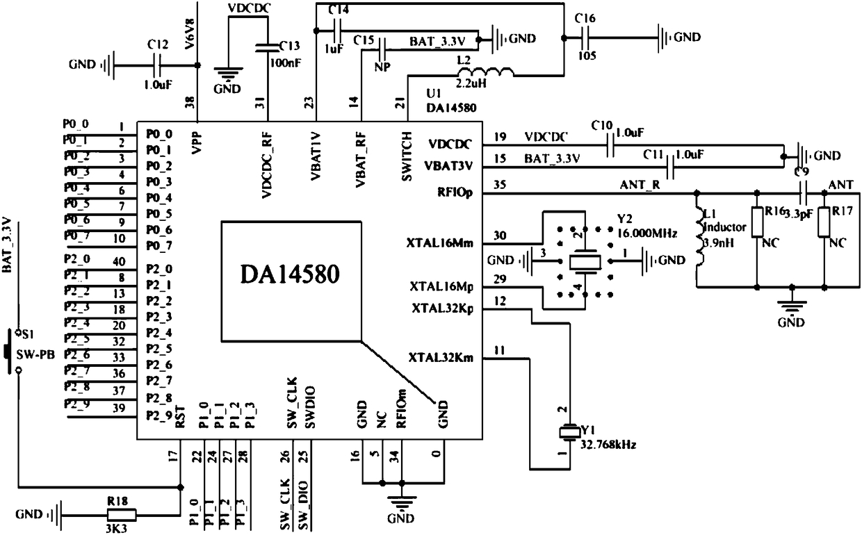
标题:
一种智能手环
授权日:
1900-01-01
公开(公告)号:
CN107970032A
申请日:
2016-10-25
公开(公告)日:
2018-05-01
当前申请(专利权)人:
四川理工学院
发明人:
彭 | 吴兆强
简单同族:
CN107970032A
简单同族成员数量:
1
简单同族被引用专利总数:
0
诉讼案件数:
0
法律状态/事件:
实质审查