首页
专利数据库
产业人才
行业动态
产业政策法规
维权援助
个人中心
登录/注册
详情
文本
图像
标题:
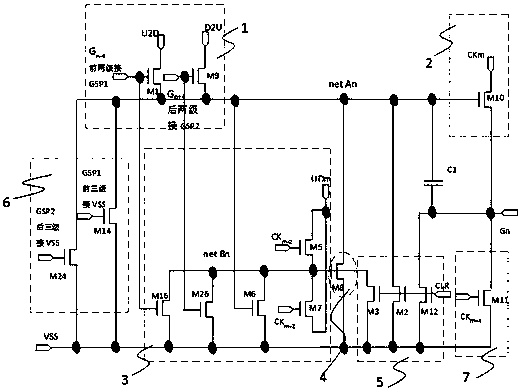
一种栅极扫描驱动电路和液晶显示装置
授权日:
1900-01-01
公开(公告)号:
CN109637487A
申请日:
2019-01-28
公开(公告)日:
2019-04-16
当前申请(专利权)人:
南京中电熊猫平板显示科技有限公司 | 南京中电熊猫液晶显示科技有限公司 | 南京华东电子信息科技股份有限公司
发明人:
刘德钰 | 刘彬 | 夏迪 | 王志军
简单同族:
CN109637487A
简单同族成员数量:
1
简单同族被引用专利总数:
0
诉讼案件数:
0
法律状态/事件:
实质审查