首页
专利数据库
产业人才
行业动态
产业政策法规
维权援助
个人中心
登录/注册
详情
文本
图像
标题:
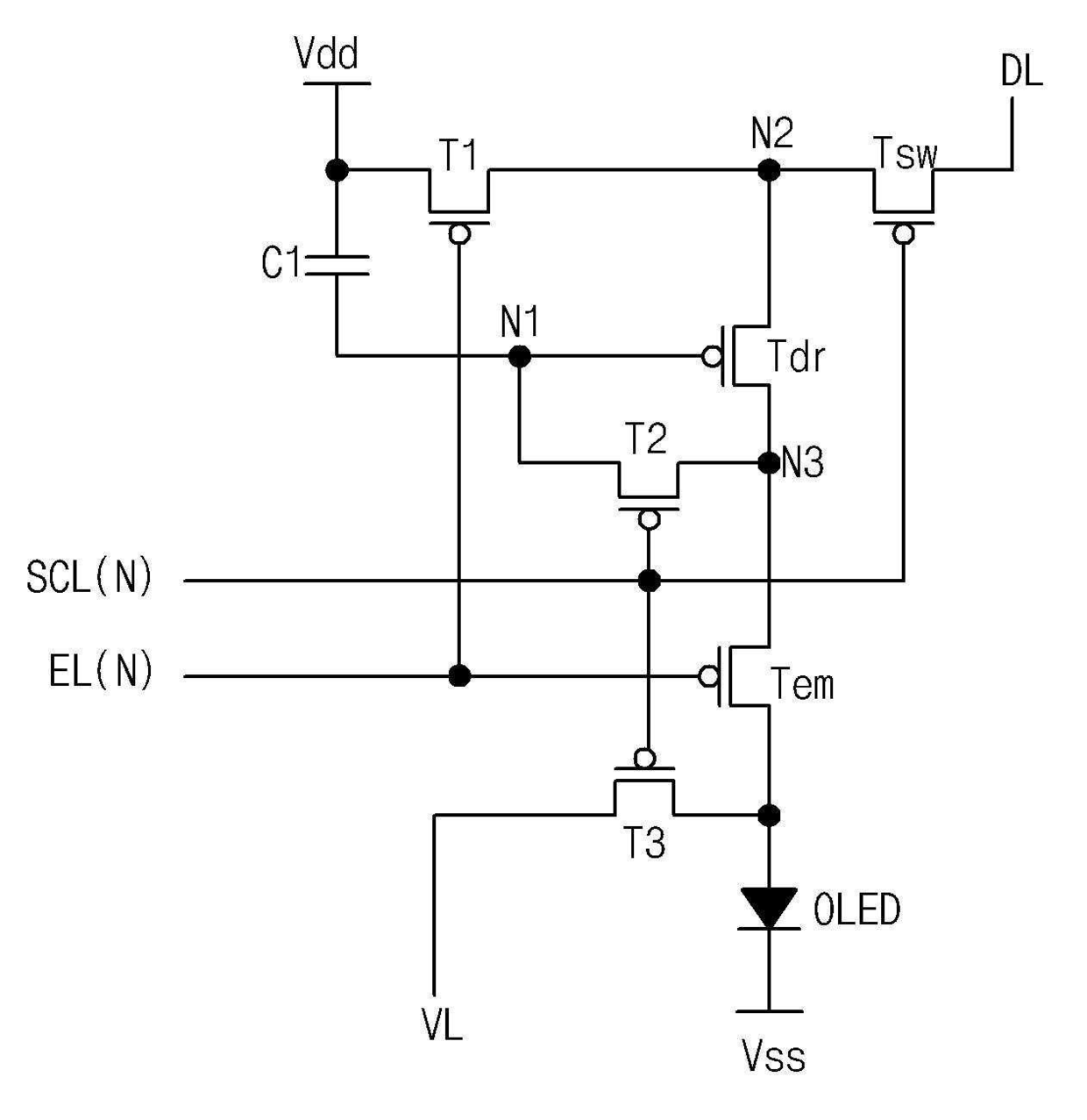
발명의 명칭 유기발광 다이오드 표시장치 및 그 구동방법
授权日:
2015-04-27
公开(公告)号:
KR101517035B1
申请日:
2011-12-05
公开(公告)日:
2015-05-06
当前申请(专利权)人:
엘지디스플레이 주식회사
发明人:
이정민 | 심재호
简单同族:
CN103137067A | CN103137067B | EP2602783A1 | EP2602783B1 | JP2013117725A | JP5611312B2 | KR101517035B1 | KR1020130062573A | US20130141316A1 | US9318054
简单同族成员数量:
10
简单同族被引用专利总数:
92
诉讼案件数:
0
法律状态/事件:
授权