标题:
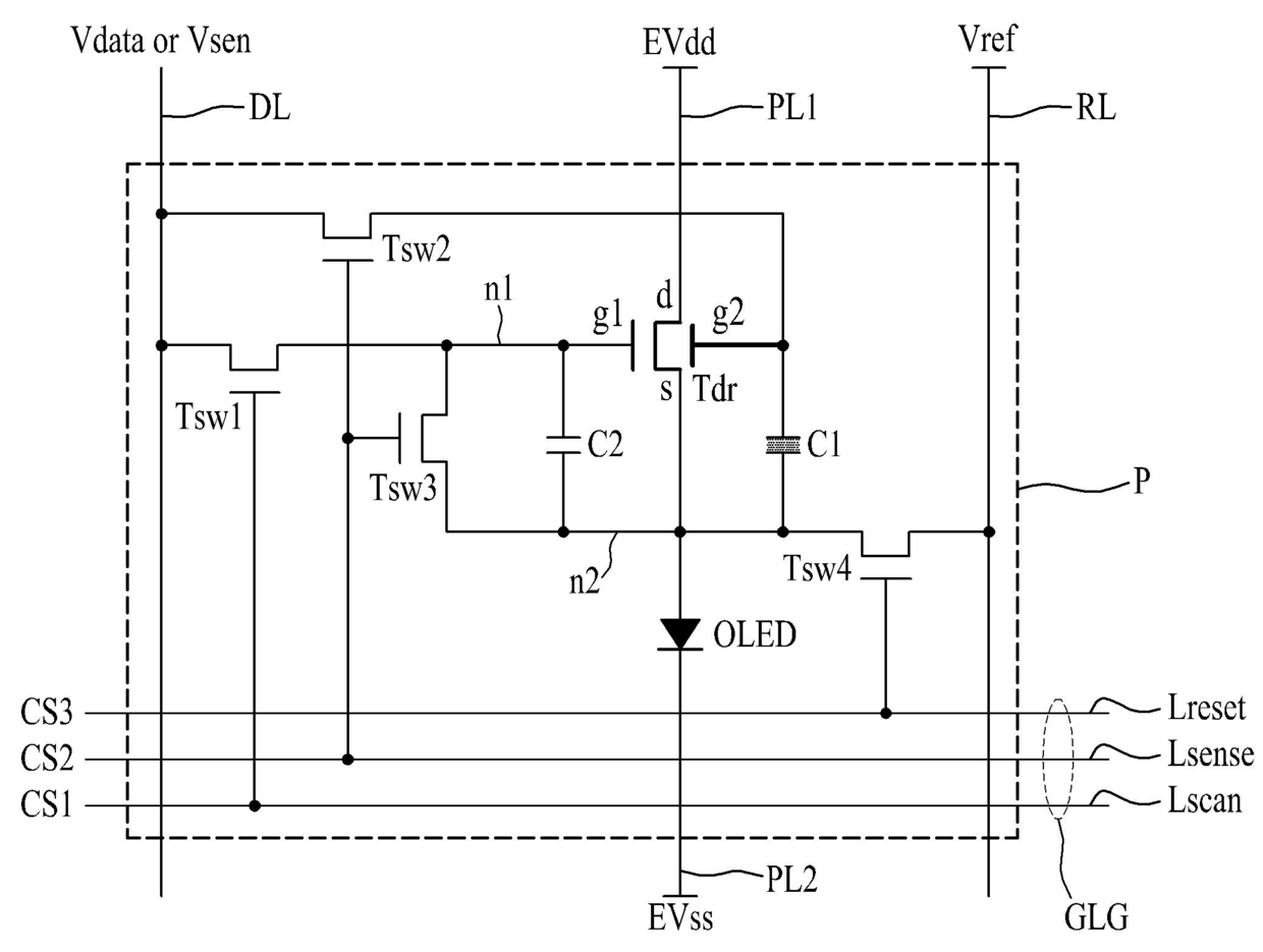
발명의 명칭 유기 발광 표시 장치 및 그의 구동 방법
授权日:
1900-01-01
公开(公告)号:
KR1020150077710A
申请日:
2013-12-30
公开(公告)日:
2015-07-08
当前申请(专利权)人:
엘지디스플레이 주식회사
发明人:
심종식 | 배나영
简单同族:
CN104751781A | CN104751781B | DE102014118997A1 | EP2889862A1 | EP2889862B1 | JP2015129934A | JP2017107243A | JP6110361B2 | JP6453926B2 | KR1020150077710A | KR102091485B1 | TW201525968A | TWI566220B | US20150187276A1 | US9305494
简单同族成员数量:
15
简单同族被引用专利总数:
83
诉讼案件数:
0
法律状态/事件:
授权