首页
专利数据库
产业人才
行业动态
产业政策法规
维权援助
个人中心
登录/注册
详情
文本
图像
标题:
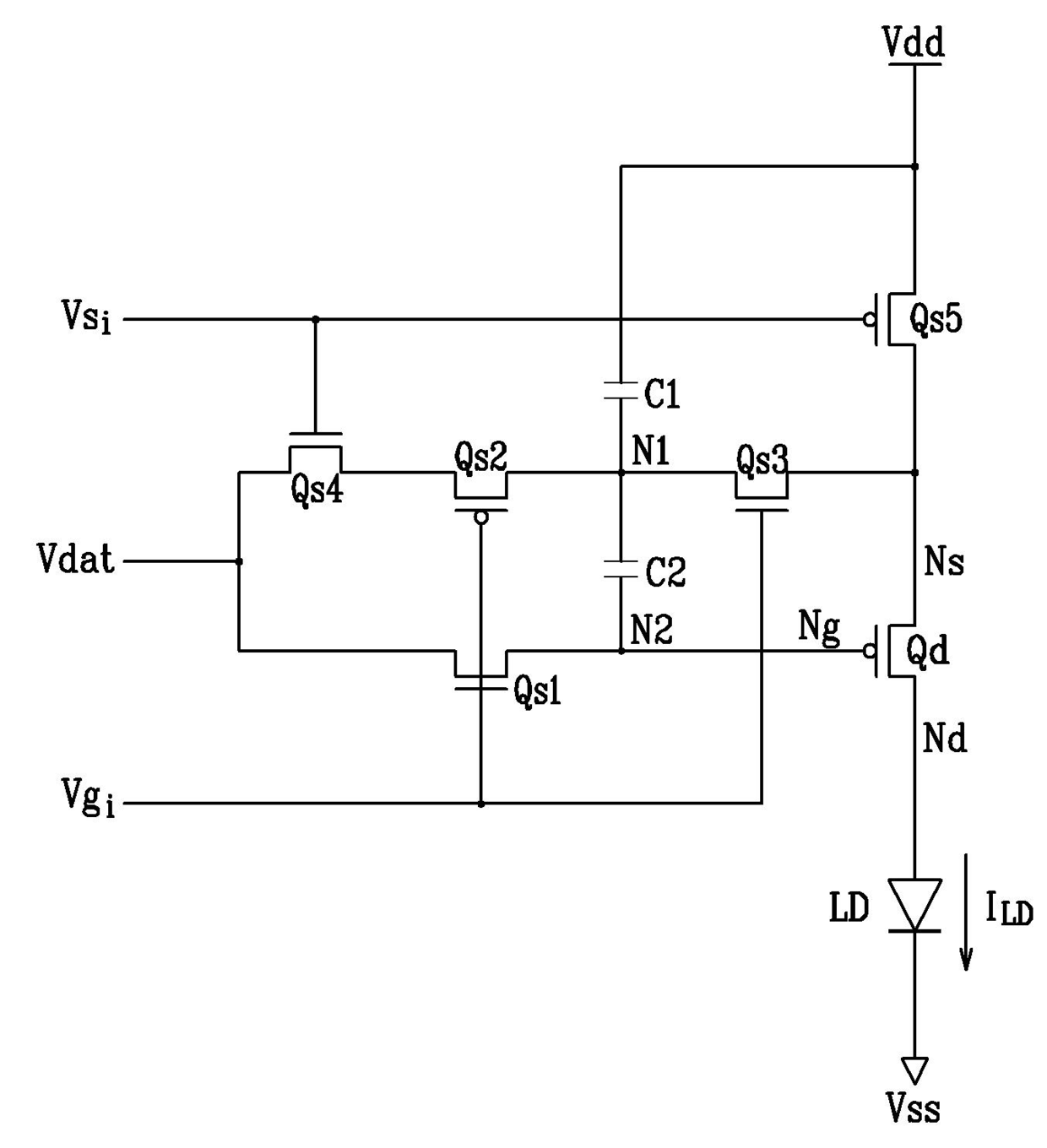
표시 장치 및 그 구동 방법
授权日:
1900-01-01
公开(公告)号:
KR1020060100963A
申请日:
2005-03-16
公开(公告)日:
2006-09-22
当前申请(专利权)人:
삼성전자주식회사
发明人:
박기찬 | 맹호석 | 박성일 | 김철민 | 김치우 | 주승용 | 김일곤
简单同族:
CN1835058A | CN1835058B | JP2006259737A | JP4728849B2 | KR101152120B1 | KR1020060100963A | TW200703210A | US20060221662A1 | US7688292
简单同族成员数量:
9
简单同族被引用专利总数:
109
诉讼案件数:
0
法律状态/事件:
未缴年费 | 权利转移