首页
专利数据库
产业人才
行业动态
产业政策法规
维权援助
个人中心
登录/注册
详情
文本
图像
标题:
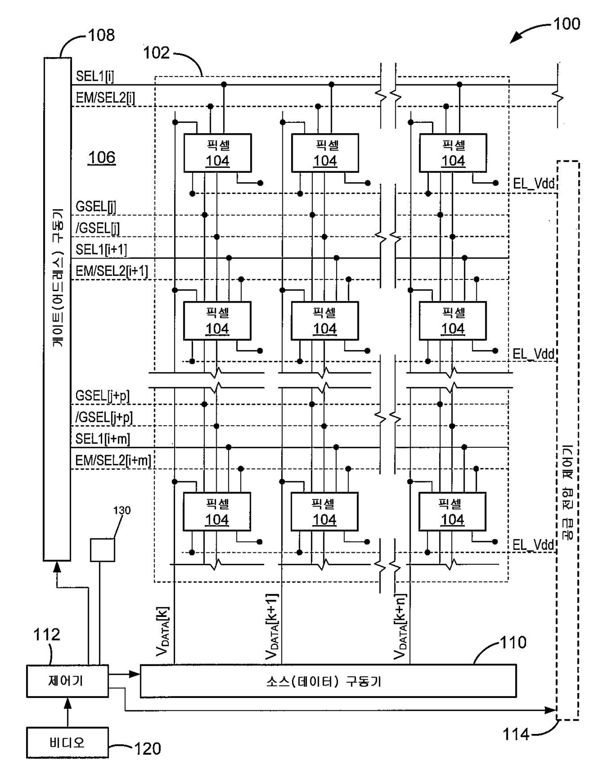
능동 매트릭스 디스플레이를 위한 구동 시스템
授权日:
1900-01-01
公开(公告)号:
KR1020110027630A
申请日:
2010-09-09
公开(公告)日:
2011-03-16
当前申请(专利权)人:
이그니스 이노베이션 인크.
发明人:
리콩닝 | 굽타바수다 | 카지고람레자 | 나탄아로키아
简单同族:
CA2714827A1 | CN102024418A | CN102024418B | EP2299427A1 | JP2011070184A | KR1020110027630A | US20110069096A1 | US9093019
简单同族成员数量:
8
简单同族被引用专利总数:
112
诉讼案件数:
0
法律状态/事件:
撤回