首页
专利数据库
产业人才
行业动态
产业政策法规
维权援助
个人中心
登录/注册
详情
文本
图像
标题:
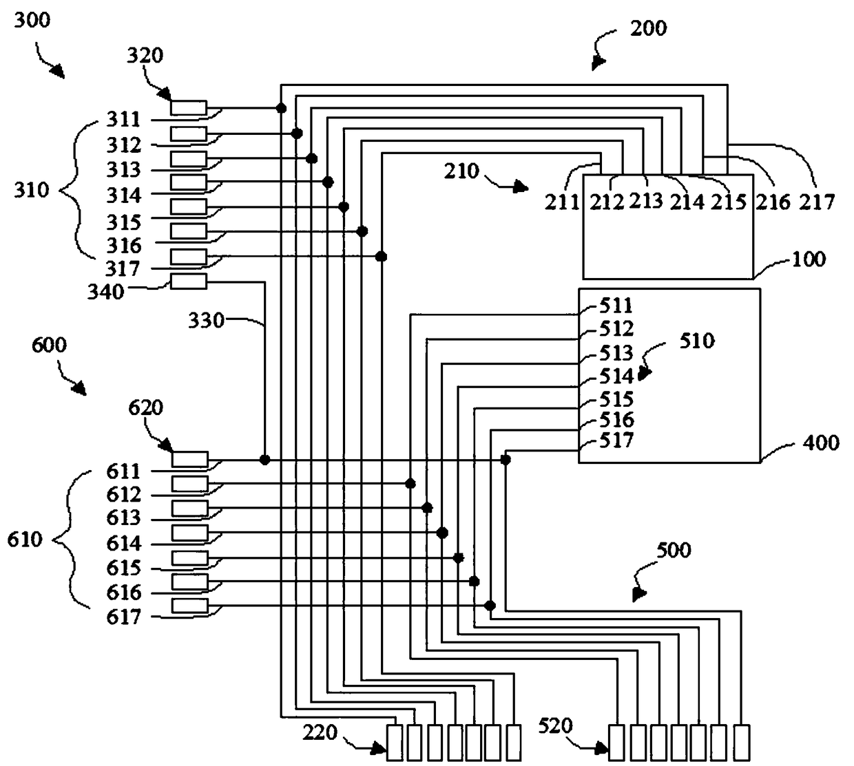
液晶面板的跨线静电短路缺陷的检测电路及其检测方法
授权日:
1900-01-01
公开(公告)号:
CN109031722A
申请日:
2018-08-22
公开(公告)日:
2018-12-18
当前申请(专利权)人:
深圳市华星光电技术有限公司
发明人:
钟文雄 | 胡平 | 彭焕
简单同族:
CN109031722A
简单同族成员数量:
1
简单同族被引用专利总数:
0
诉讼案件数:
0
法律状态/事件:
实质审查