首页
专利数据库
产业人才
行业动态
产业政策法规
维权援助
个人中心
登录/注册
详情
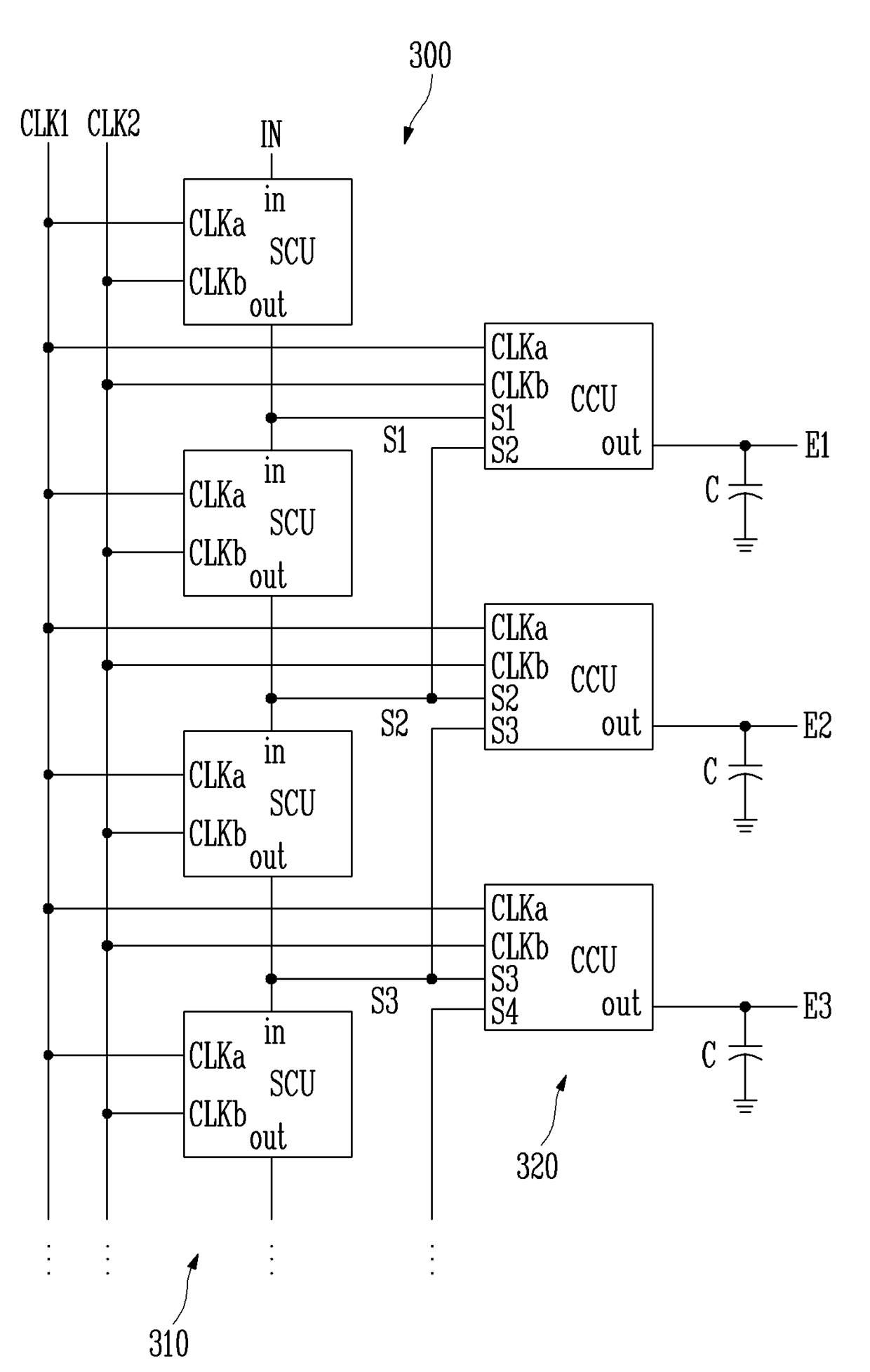
文本
图像
标题:
주사 구동회로와 이를 이용한 유기 전계발광 표시장치
授权日:
2007-08-03
公开(公告)号:
KR100748321B1
申请日:
2006-04-06
公开(公告)日:
2007-08-09
当前申请(专利权)人:
삼성에스디아이 주식회사
发明人:
신동용
简单同族:
CN100520889C | CN101051440A | EP1843317A1 | EP1843317B1 | JP2007279667A | JP4533365B2 | KR100748321B1 | TW200739499A | TWI362643B | US20070240024A1 | US8031141
简单同族成员数量:
11
简单同族被引用专利总数:
86
诉讼案件数:
0
法律状态/事件:
授权 | 权利转移